0371-67772626

    您当前的位置:
  1. 网站首页
  2. >
  3. 新闻中心
  4. >
  5. 行业新闻
  6. >
  7. 杏耀平台登录入口优化设计的石灰窑生产工艺及结构
?

杏耀平台登录入口优化设计的石灰窑生产工艺及结构

作者:杏耀平台登录入口机器 发布时间:2015/03/21 10:51:31 更新时间:2019/03/20 09:03:44

厂家直销,一台也是出厂价! 如果您想了解我们的产品,欢迎点击咨询 在线咨询

石灰是工业行业加工过程中的重要辅助材料,随着工业生产的加快,对于石灰的产量与质量都提出了更高要求,而石灰窑是石灰生产加工的关键设备,需要对石灰石的结构及工艺设计进行优化升级,我们杏耀平台登录入口设计制造了成熟的石灰窑及工艺。本文进行详细介绍。

石灰

一、工艺流程

石灰窑的生产工艺环节总的来说包括上料系统、套筒窑煅烧系统和出窑系统三大部分。

1、上料系统

由称量料斗、上料小车、中问料仓、旋转布料器、料钟及料位检测装置等组成。套筒窑和窑前料仓都设有雷达料位计.可以连续检测料位实现自动上料。具体工作流程如图。

原料筛分与输运体系

2、出窑系统

石灰出窑体系包含窑下料仓、闸门、出料机、运输皮带等,经过套筒窑煅烧成功后的石灰先储存在窑下料仓,在窑下料仓内设定两个料位计,并设有高低位,在其底部装上闸门并连锁料位计。这样当窑下料仓内的石灰达到一定的高度时,下部闸就会自动动打开,通过振动出料机的作用,石灰经由传输皮带被送出窑外,最终被运输到中转仓。

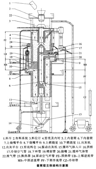
二、结构设计

具体结构设计如图。

套筒窑主体结构示意图

1、采用新型的配料布料设备

石灰窑采用了新型的配料设备和布料设备,同时为了提高燃料利用率采用热交换的方法将上面的原料加入窑内,同时和升高的高温气体互换形成预热带。这样相互交换的方法大大提高了燃料的利用率。同时采用变频器使设备节能的运转。在窑内使用变频的设备有很多例如:卷扬机、布料器、圆盘出灰机、以及混配皮带等。这些设备都有效的节约了电能。

石灰窑

2、合理设计石灰窑的高径比

高径比对于石灰窑来说是一个十分重要的参数。由于受到布风装置的限制,大部分进入到窑内的空气总是沿着窑壁上升至顶部,即有十分明显的窑壁效应。因此窑的直径应当与高度保持一定的比例而不应当过大或过小。

3、自动化控制系统设计成熟

控制系统包括给料控制、配料控制、计量控制、出料和料位控制、引风控制、煅烧温度控制、鼓风控制以及纠偏控制。各个子系统采用国内较为成熟的PLC控制,自动化水平高。

石灰窑

三、性能优势

1、 在生产过程中将逆流煅烧和并流煅烧进行有机的结合,能够使成品保持优良的使用性能。

2、 在工艺设计过程中将燃烧室分为两层12个燃烧室,并使其在窑体周围呈现圆周型排列,能够保证产生的烟气均匀的在料层断面上分布。

3、 在整个工艺流程的进行过程中用负压进行操作,对于窑内的状况能够进行有效的调节,能够显著的减轻窑体中密封件的负荷,并使工作环境得到有用的改善,使安全操作更加容易。

4、 自动化、规范化和标准化程度较高,使得在操作过程中简单可行。

石灰窑性能优势

四、实际应用

以燃料为低位发热值10450kJ/m3的电石炉尾气为例,日产量为500t的套筒石灰窑的技术性能参数计算结果见表所示。

500t/d套筒窑技术性能表

由此可见,该石灰窑在生产过程中表现极高的优势,生产效率高,能够满足现代石灰生产厂家的高产量、高质量、低能耗、绿色环保的目标。关于该石灰窑的咨询电话:0371-67772626。

在线留言

全套生产设备 一站式帮您输出建厂

购买设备得花多少钱?预约留言后立即算出设备投资预算,更多优惠折扣等着你。 (今日已有33人成功通话)

您的称呼:

*联系方式:

*留言内容:

电话:0371-67772626

免费获取

建厂方案

投资分析

环保政策分析